Due to their excellent properties, film capacitors are widely used in electronic circuits. Depending on the specific requirements of different electronic circuits, film capacitors with varying characteristics can be used to meet these requirements. This article will focus on typical examples of film capacitor circuit applications, analyzing their functional characteristics and selection principles in different circuit types. As a professional film capacitor manufacturer, XUANSN offers a variety of dielectrics and packaging options to meet the performance requirements of different circuits.
1 Applications in Oscillation Circuits, Timing Circuits, Delay Circuits, and Filters
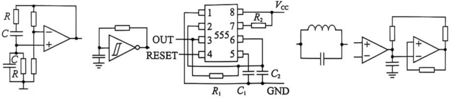
Figure 1 shows a simplified diagram of an oscillation circuit, timing circuit, or delay circuit. Temperature stability is crucial in oscillation, timing, and delay circuits. In demanding applications, capacitors with excellent temperature stability are required to ensure the oscillation frequency, timing time, and delay time. Polycarbonate dielectric capacitors with a low temperature coefficient are preferred. Their temperature coefficient can be close to zero, resulting in virtually no capacitance change over the entire operating temperature range, with no impact on the resonant frequency, timing time, or delay time. Furthermore, capacitors can also have a tolerance of 1%. Secondly, composite film capacitors should be used. These capacitors utilize a combination of positive and negative temperature coefficient dielectrics, resulting in complementary temperature coefficients close to zero. This allows for capacitance variations of less than 0.1% over the entire operating temperature range. These capacitors are designated “CH” in national standards. For example, the domestically produced CH11 composite film capacitor has a capacitance range of 1nF to 0.47μF and is readily available commercially. Encapsulated in yellow resin, these capacitors offer tolerances of 1%, 2%, 5%, and 10%. Using polystyrene or polyphenylene sulfide (PPS) dielectrics will result in capacitance variations of ±1%. This will affect the timing of timing circuits and the delay of delay circuits by ±1%, while the effect on resonant circuits will be 1.011/2, or ±0.5%. If polystyrene or PPS dielectric capacitors are unavailable, a combination of polypropylene and polyester capacitors can also yield good results, with a capacitance ratio of 2:1. In environments with virtually constant temperature, there are no special requirements for capacitor selection. However, Class II ceramic dielectrics (their capacitance varies significantly with capacitor temperature) must be avoided. The author previously used Class II ceramic capacitors as oscillation capacitors. The result was a very low frequency upon startup, but as the capacitor’s temperature rose, the oscillation frequency dropped significantly, far exceeding the performance requirements.

Figure 1 Typical Circuits with High Capacitance Stability Requirements
Similar to oscillation circuits, timing circuits, and pulse delay circuits, filter frequency selection networks, bandpass filters, and bandstop filters (see Figure 2), constructed from capacitors and other components, also require capacitors with good temperature stability to ensure frequency selection accuracy. These circuits are typical film capacitor circuit applications.

Figure 2 Example of a Filter Circuit with High Capacitance Stability Requirements
2.Applications in Integrator Circuits
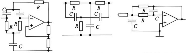
In integrating circuits or their derivatives (see the simplified circuit diagram in Figure 3), the integration time constant is determined by the integrating capacitor and resistor. Resistors generally provide good temperature characteristics. To ensure a stable integration time constant, the most critical factor is the stability of the capacitance. This is common in oscillation circuits, timing circuits, and delay circuits. However, integrator circuits require a hold function, requiring capacitors with as high insulation resistance as possible. Furthermore, to maintain integration accuracy, the capacitor’s dielectric absorption must be low. Therefore, integrating capacitors for integrating circuits should generally have low dielectric absorption, followed by considerations such as the temperature coefficient and insulation resistance. Polystyrene-propylene (PP) capacitors with the lowest dielectric absorption are preferred. PPP capacitors supplied by XUANSN are widely used in precision integrating circuits.

Figure 3 Applications of Capacitors in Integrating and Derivative Circuits
3.Applications in Sample-and-Hold Circuits
In sample-and-hold circuits (see the simplified circuit diagram in Figure 4), the most critical factor is the capacitor’s insulation resistance. Therefore, in these Therefore, in these film capacitor circuit applications, dielectrics with the highest insulation resistance are preferred. If the sampling frequency is high, the loss factor should also be considered. Generally, film capacitors meet the requirements, requiring additional consideration to enhance circuit performance.

Figure 4 Capacitor Applications in Sample-and-Hold Circuits
4.As Coupling Capacitors
As coupling capacitors, they must couple AC or pulse signals to the downstream stage without attenuation while not affecting the downstream stage’s DC operating point. Therefore, they require high insulation resistance. In this type of film capacitor circuit applications, common polyester film capacitors can meet these requirements. See C1, C3, and C5 in Figure 5.

Figure 5 Coupling Capacitors for Tube Amplifiers
5.As Coupling Capacitors for Hi-Fi Tube Amplifiers
To achieve high-fidelity sound, hi-fi tube amplifiers require coupling capacitors (C1, C3, and C5 in the schematic diagram of Figure 5) with sufficient withstand voltage (e.g., above 600V) and as high an insulation resistance as possible to minimize the impact on the DC operating point stability of the downstream stage. Furthermore, the capacitors must have good impedance-frequency characteristics (the smaller the parasitic inductance, the better) and as low an ESR as possible. This minimizes the phase shift caused by the capacitor’s frequency characteristics and minimizes phase distortion at different frequencies. Polypropylene capacitors with low ESR and high dυ/dt are generally preferred, especially as buffer capacitors (ESR can be as low as 10mΩ or less).
6 General Applications
Although some circuits require high capacitor performance, in general film capacitor circuit applications, as long as the performance meets the requirements, any dielectric capacitor can be used. The remaining options are readily available and inexpensive. The capacitors in Figure 6 can all be made of the most common polyester film capacitors, as these applications do not require high temperature coefficients. Polyester film capacitors provided by XUANSN are widely favored by electronics manufacturers for their high stability and excellent cost-performance.

Figure 6 General Applications of Capacitors